Ringkasan Produk
| Pompa Tenaga Surya Seri RVE35 VFD | | |
| | MASUKAN DC/AC | |
| | Desain yang disempurnakan | |
| | MPPT | |
| Parametrik | ||
| Model | RVE35-T3-280G ~ RVE35-T3-315G |
| Tegangan | Masukan 350VDC hingga 800/900VDC, 3 masukan PH 380VAC hingga 440VAC | |
| Nilai P (kW) | 280/315 | |
| Nilai saat ini (A) | 520/600/680 | |
| MPPT Vmp/Voc | 540/660 | |
| Dimensi (mm) | 1035*620*400 | |
Latar Belakang Aplikasi
| Dalam beberapa tahun terakhir, dengan semakin parahnya "masalah pangan" dan "masalah energi" global, pompa air tenaga surya secara bertahap dipuji sebagai produk integrasi industri yang efektif untuk memecahkan masalah peningkatan keluaran lahan pertanian yang efektif dan menggantikan energi fosil dengan energi bersih. Hasilnya, lahirlah model ekonomi baru yang mana industri tenaga surya dikembangkan bersamaan dengan industri tradisional seperti pemeliharaan air untuk pertanian, pengendalian gurun, penggunaan air rumah tangga, dan lanskap perairan perkotaan. |
Fitur Produk
• Pelacakan titik daya maksimum (MPPT) dengan kecepatan respons cepat dan pengoperasian stabil
• Perlindungan lari kering (di bawah beban).
• Perlindungan arus maksimum motor
• Perlindungan daya masukan
• Perlindungan frekuensi berhenti rendah
• Kurva kinerja PQ (daya/aliran) memungkinkan penghitungan keluaran aliran dari pompa
• Kontrol digital untuk pengoperasian otomatis, penyimpanan data, dan fungsi pelindung
• Modul daya cerdas (IPM) untuk sirkuit utama
• Panel operasi layar LED dan mendukung kendali jarak jauh
• Input catu daya AC dan DC mode ganda tersedia
• Sensor pemeriksaan air rendah dan fungsi kontrol ketinggian air
• Suhu sekitar untuk penggunaan: -10 hingga 50˚C.
| Desain yang disempurnakan Area pemasangan berkurang 50% Volume berkurang 30% | |
| | Mesin pelapis cat tiga tahan otomatis penuh digunakan untuk mengentalkan lapisan pelindung papan sirkuit, secara efektif mencegah kerusakan papan sirkuit yang disebabkan oleh debu angin, gas korosif, dan udara lembab. |
| | Mengadopsi peralatan deteksi otomatis penuh untuk menguji berbagai indikator kelistrikan dan fungsi perlindungan produk di bawah beban tetapan. |
| | Semua produk jadi disimpan di bawah beban selama 48 jam pada suhu tinggi 60 derajat, dan kemudian semua indikator kelistrikan diuji di bawah beban, untuk mengurangi tingkat kegagalan produk. |
Tata Nama Model
Seri S2 tipe umum:
Masukan Vmp 310VDC atau 220VAC, keluaran 1/3 fase 0-220VAC
| Model | Nilai saat ini ( A ) | Tegangan keluaran ( VAC ) | Berlaku untuk pompa daya (kW) | Eksternal ukuran drive Tinggi*L*D (mm) | MPPT Vmp/Vok |
| RVE35-S2-0R7G | 4 | 0-220 | 0.75 | 187*86*152 | 310/372 |
| RVE35-S2-1R5G | 7 | 0-220 | 1.5 | ||
| RVE35-S2-2R2G | 10 | 0-220 | 2.2 | ||
| RVE35-S2-3G | 13 | 0-220 | 3 | 265*105*164 | |
| RVE35-S2-4G | 16 | 0-220 | 4 |
Seri T3 tipe umum:
Input Vmp540 hingga 650VDC atau 380 hingga 460VAC, output 3 fase 0-380/460VAC
| Model | Nilai saat ini ( A ) | Tegangan keluaran ( VAC ) | Berlaku untuk pompa daya (kW) | Eksternal ukuran drive Tinggi*L*D (mm) | MPPT Vmp/Vok |
| RVE35-T3-0R7GB | 2.5/3.7 | 0-380/440 | 0.75 | 187*86*152 | 540/660 |
| RVE35-T3-1R5GB | 3,7/5 | 0-380/440 | 1.5 | ||
| RVE35-T3-2R2GB | 5/10 | 0-380/440 | 2.2 | ||
| RVE35-T3-4GB | 13/10 | 0-380/440 | 4.0 | ||
| RVE35-T3-5R5GB | 13/16 | 0-380/440 | 5.5 | 265*105*164 | |
| RVE35-T3-7R5GB (Kotak Plastik) | 16/25 | 0-380/440 | 7.5 | ||
| RVE35-T3-7R5GB (kotak besi) | 16/25 | 0-380/440 | 7.5 | 333*150*216 | |
| RVE35-T3-11GB | 25/32 | 0-380/440 | 11 | ||
| RVE35-T3-15GB | 32/38 | 0-380/440 | 15 | ||
| RVE35-T3-18GB | 38/45 | 0-380/440 | 18 | 383*180*228 | |
| RVE35-T3-22GB | 45/60 | 0-380/440 | 22 | ||
| RVE35-T3-30GB | 60/75 | 0-380/440 | 30 | 435*175*265 | |
| RVE35-T3-37GB | 75/90 | 0-380/440 | 37 | ||
| RVE35-T3-45G | 90/110 | 0-380/440 | 45 | 670*265*358 | |
| RVE35-T3-55G | 110/150 | 0-380/440 | 55 | ||
| RVE35-T3-75G | 150/170 | 0-380/440 | 75 | ||
| RVE35-T3-90G | 170/210 | 0-380/440 | 90 | 845*305*358 | |
| RVE35-T3-110G | 210A/250 | 0-380/440 | 110 | ||
| RVE35-T3-132G | 250A/300 | 0-380/440 | 132 | ||
| RVE35-T3-160G | 300A/340 | 0-380/440 | 160 | 788*500*360 | |
| RVE35-T3-185G | 340/380 | 0-380/440 | 185 | ||
| RVE35-T3-200G | 380/415 | 0-380/440 | 200 | 900*540*358 | |
| RVE35-T3-220G | 415/470 | 0-380/440 | 220 | ||
| RVE35-T3-250G | 470/520 | 0-380/440 | 250 | ||
| RVE35-T3-280G | 520/600 | 0-380/440 | 280 | 1035*620*400 | |
| RVE35-T3-315G | 600/680 | 0-380/440 | 315 | ||
| RVE35-T3-355G | 680/750 | 0-380/440 | 355 | 1290*780*410 | |
| RVE35-T3-400G | 750/810 | 0-380/440 | 400 |
Performa Luar Biasa
| | Kontrol vektor berperforma tinggi untuk meningkatkan akurasi peralatan |
| Frekuensi keluaran maksimum di bawah kendali vektor mencapai 1500 Hz, yang dapat mencapai keluaran kecepatan presisi tinggi dalam rentang pengaturan kecepatan magnet lemah 1 kali lipat. | |
| | |
| | Penggerak sempurna untuk motor sinkron |
| Bentuk gelombang arus motor sinkron dalam mode kontrol vektor loop terbuka pada 500 Hz dengan beban tetapan 100%. | |
| | |
| | Desain pembuangan panas yang andal |
| Teknologi desain saluran udara ganda yang independen dapat mewujudkan penggunaan penggerak pompa tenaga surya dengan suhu cincin 50 ℃ tanpa pengurangan kapasitas. |
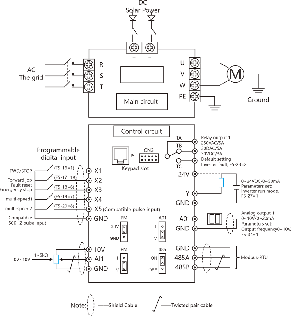
Diagram Pengkabelan
Untuk produk RVE35 0.75kw-7.5kw, harap perhatikan hal berikut:
1. Produk tidak mengandung terminal input logika X6 dan X7;
2. Produk hanya mencakup 1 input analog, 1 output analog, dan 1 output relai










































